Description
This 316 Stainless Steel Cast Threaded Thru Hull 1″ is fully threaded, and made to screw directly into a flanged seacock, valve, or other fitting.
It is constructed from cast 316 Stainless Steel for protection against corrosion.
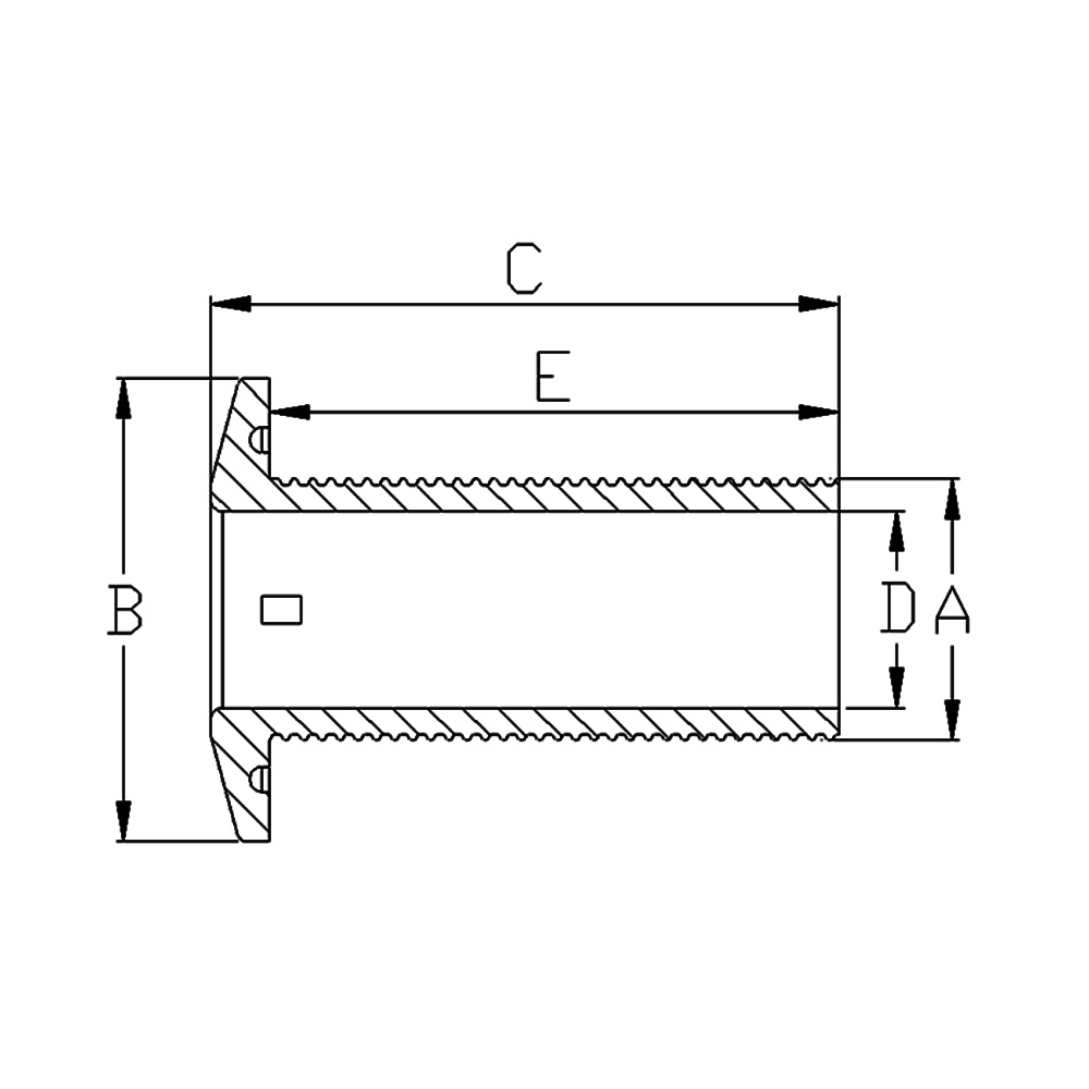
| PART NO. | A | B | C | D | E | THREAD SIZE |
|---|---|---|---|---|---|---|
| 6653S-TH | 1-5/16″ | 2-5/16″ | 3″ | 1″ | 2-7/8″ | 1-11.5 NPSM |
This 316 Stainless Steel Cast Threaded Thru Hull 1″ is fully threaded, and made to screw directly into a flanged seacock, valve, or other fitting.
It is constructed from cast 316 Stainless Steel for protection against corrosion.
| U/M | Each |
|---|---|
| Composition | Cast 316 Stainless Steel |
| Finish | High Polished |